BFL Precision Metal Film Strip Chip Shunts

Features:
E - Beam welded construction
ROHS compliant
Inductance less than 3nH
Applications:
Ideal for high - current applications in the automotive market
Power modules
2 - Terminal or 4 - Terminal connections
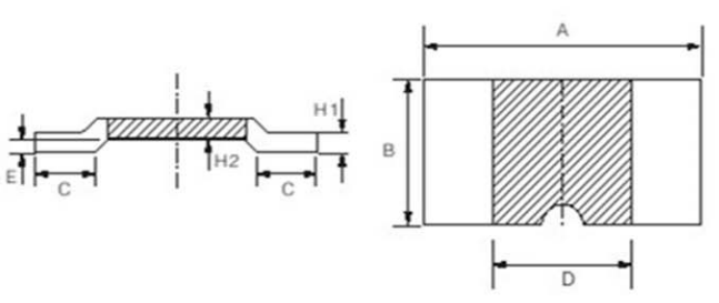
Dimensions (mm):
| Type | A | B | C | D | E |
|---|---|---|---|---|---|
| BFL - 2512 | 6.35 ± 0.254 | 3.05 ± 0.254 | 1.14 ± 0.254 | 3.0 + 0.2 / - 0.3 | 0.35 |
| BFL - 3921 | 10 ± 0.254 | 5.2 ± 0.254 | 2.0 ± 0.254 | 5.2 + 0.2 / - 0.3 | 0.5 |
| BFL - 5931 | 15 ± 0.254 | 7.75 ± 0.254 | 4.0 ± 0.254 | 6.2 + 0.2 / - 0.3 | 0.5 |
| Type | Power | Resistance Range (mΩ) | H1 (mm) | H2 (mm) |
|---|---|---|---|---|
| BFL - 2512 | 3W | 0.3 - 5mΩ | See detailed values for different resistances | See detailed values for different resistances |
| BFL - 3921 | 5W | 0.2 - 4mΩ | See detailed values for different resistances | See detailed values for different resistances |
| BFL - 5931 | 7W | 0.2 - 3mΩ | See detailed values for different resistances | See detailed values for different resistances |
Performance:
| Test Item | Specifications | Test Methods |
|---|---|---|
| Thermal Shock | ΔR ≤ ± 0.5%R | - 55°C / 175°C, 30min, 5 cycles |
| Over Load | ΔR ≤ ± 0.5%R | 5Pn, 5S |
| Leaching | ΔR ≤ ± 0.5%R | 260 ± 2°C, 10 ± 1S |
| Damp Heat, Steady - state | ΔR ≤ ± 1.0%R | - 55°C, RH93 ± 3%, 56d |
| Vibration | ΔR ≤ ± 0.5%R | 10 - 200Hz, 98m/s², 6h |
| Load Life | ΔR ≤ ± 1.0%R | 70°C, Pn, 1000h |
| High - temperature Exposure | ΔR ≤ ± 1.0%R | 175°C, 1000h |
WHATSAPP
LINE
WECHAT
SKYPE
In addition to BFL Precision Metal Film Strip Chip Shunts, we also focus on the following resistors:
-
BFL Precision Metal Film Strip Chip Shunts
-
WFL Plastic-Encased Precision Metal Film Strip Chip Shunt
-
MEF Series Cylindrical Precision Chip Metal Film Resistors
-
MEFH Series Cylindrical Chip High-Temperature Metal Film Resistors
-
TYRM Precision Thin Film Chip Resistor
-
TYPCR Precision Thick Film Chip Resistor
-
TY Precision Metal Film Resistor
-
TYRJ23/24/25 Precision Metal Film Resistors
-
Metal Film MELF Precision Resistor
-
High-precision metal film resistor
-
EE Series High-Precision Metal Film Resistors
-
RE Series High-Precision Metal Film Resistors
-
RJ21/22/23 Series Semi-Precision Metal Film Resistors
-
TYRE High - Stability Precision Metal Film Resistors
-
TYEE High - Stability Precision Metal Film Resistors
-
RJ70 Series Semi-Precision Metal Film Resistors
-
UPR/UPSC Series Ultra-Precision Metal Film Resistors
-
TYUPR Series Ultra - Precision Metal Film Resistors
-
RJ13/14/15/16/17/18 Series Semi-Precision Metal Film Resistors
-
NE Series Low-Resistance High-Precision Metal Film Resistors
-
UPRNS/UPRND Series Precision Metal Film Resistor Networks
-
MELF0204/0207 precision metal - film surface - mount resistors
-
TYRJK(TYRN) High - Reliability Precision Metal Film Resistors
-
MELF3215 series high - precision metal - film surface - mount resistors
What We Do
We offer comprehensive storage, procurement, and distribution services for a wide range of resistor products to electronic manufacturers spanning diverse industries.

Quality is Always Our Highest Priority
Our quality control procedures guarantee that you will receive resistor products of the highest quality, devoid of any nonconformities or suspicious anomalies typically encountered in the electronics industry.

Navigate Sourcing Dilemmas
Our component procurement team and internal data analysis team are consistently endeavoring to uncover valuable opportunities for our clients, focusing on their critical components, in order to facilitate cost reductions through spot purchases.




Supplier of a Full Range of Resistors | JEPSUN INDUSTRIAL is committed to always being one of our customers' favorite suppliers.
Resistor Supplies - Jepsun Tech Corporation
+86755-29796190 +8615920026751 [email protected]
Huangjiazhongxin building Donghuan Road Longhua District SHENZHEN City, GUANGDONG Prov. CHINA 518000
