FL-2(T) Precision Shunts


Application: The interchangeable shunts are used to multiply the measuring range of current of measuring instruments.
Basic specifications:
Accuracy class: 0.5 for 2 - 4000A; 1 for 5000 - 10000A
Ambient conditions: Temperature: - 40 - + 60°C; relative humidity ≤ 95% (at 35°C)
Capacity to withstand mechanical force: It is capable of withstanding the transport bumping at an acceleration of 70/s² and a shock frequency of 80 - 120 times/min for an hour.
Over - rating capacity: 120% of the rated current for 2hr.
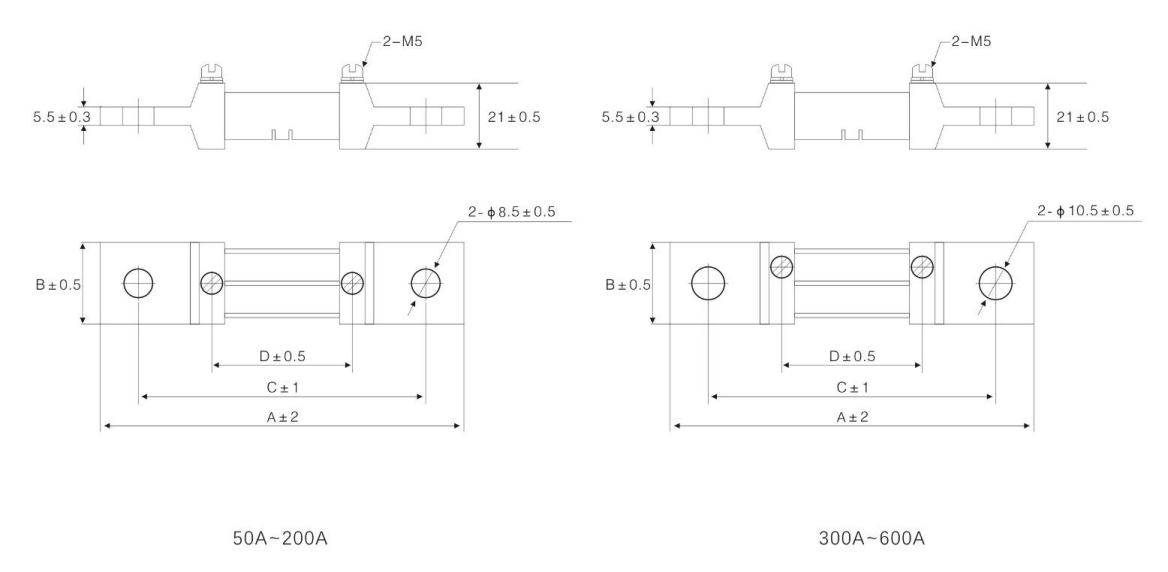
Voltage drop: 75mV, 50mV, 60mV, 100mV
Heat generation when loaded: Not more than 80°C after the temperature rise gets steady; not more than 120°C at a rated current of over 50A.
Dimensions (mm):
| Rated Current (A) | 100mV | 75mV | 50mV | 25mV | ||||||||||||
|---|---|---|---|---|---|---|---|---|---|---|---|---|---|---|---|---|
| A | B | C | D | A | B | C | D | A | B | C | D | A | B | C | D | |
| 50 | 146 | - | - | - | - | - | - | - | - | - | - | - | - | - | - | - |
| 100 | - | 22 | 115 | - | 116 | 22 | 85 | 39 | 116 | 22 | 39 | - | - | 22 | 70 | - |
| 200 | - | - | - | - | - | - | - | - | - | - | - | - | - | - | - | - |
| 300 | - | 26 | - | - | - | 26 | - | - | - | 26 | - | - | - | 26 | - | - |
| 400 | - | 38 | - | - | - | 38 | - | - | - | 38 | - | - | - | 38 | - | - |
| 500 | - | 45 | - | - | - | 45 | - | - | - | 45 | - | - | - | 45 | - | - |
| 600 | - | 62 | 120 | - | 126 | 62 | 100 | 49 | 111 | 62 | 34 | - | - | 62 | 75 | - |
| 750 | - | 76 | - | - | - | 76 | - | - | - | 76 | - | - | - | 76 | - | - |
| 1000 | - | 96 | - | - | - | 96 | - | - | - | 96 | - | - | - | 96 | - | - |
| 1250 | - | - | - | - | - | - | - | - | - | - | - | - | - | - | - | - |
-
RNA/RNB Precision Shunts
-
CFL (M) Precision Shunts
-
FL-1 Precision Shunts
-
FL-2(T) Precision Shunts
-
PFL Precision Shunts for KWH-METERS
-
FLQ53 Jumper Precision Shunts
-
BFL Precision Metal Film Strip Chip Shunts
-
Power Shunts Resistors
-
Customizable U-Type High-Power Sampling Shunts
-
Customizable Automotive-Grade High-Current Shunts
-
Customizable Automotive-Grade Screw-Mounted High-Current Shunts
-
TY Precision Shunt
-
UFL Precision Shunt
-
FL-2-K Precision Shunt
-
Precision Resistors
-
Precision Resistor
-
TY Precision Wirewound Resistor
-
TY Precision Chip Resistor
-
3W - 10W precision shunt resistors.
-
GFLEV8520 Precision Shunt
-
1W 3W 6W 8W precision shunt resistors.
-
RN1A Precision Shunt
-
GFLEV Precision Shunt
-
GFL Precision Shunt Resistor






Resistor Supplies - Jepsun Tech Corporation
+86755-29796190 +8615920026751 [email protected]
Huangjiazhongxin building Donghuan Road Longhua District SHENZHEN City, GUANGDONG Prov. CHINA 518000
