FL-2-K Precision Shunt

Specification:
| Parameter | Value |
|---|---|
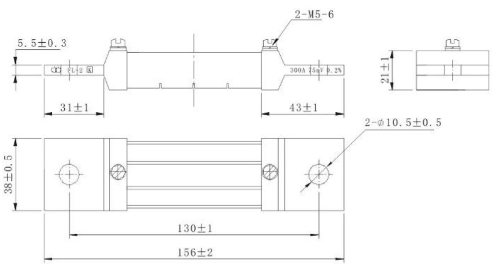
| Rated Current | 300A |
| Rated Voltage | 75mV |
| Accuracy Rating | 0.2 |
| Operating Temperature Range | - 40°C - + 70°C |
| Surface Temperature | ≤ 140°C |
| Temperature Coefficient | ≤ ± 50ppm/°C |
Performance:
| Characteristics | Specifications | Test Methods |
|---|---|---|
| Error Consistency | (Delta Rleq0.1\%R) | Q/GDW11850 - 2018 Article 5.2.2.6. After thermal equilibrium with 1N is passed, measure the basic error of 3 test samples. (Delta R = Rmax - Rmin) from the same batch |
| Error Stability | (Delta Rleq0.1\%R) | Q/GDW11850 - 2018 Article 5.2.2.7. After thermal equilibrium with 1N is passed, the basic error is measured, and after natural cooling to room temperature, the second test is carried out under unchanged test conditions, and the absolute value of the difference between the two measurements is (Delta R) |
| Thermal Equilibrium Time | ≤ 5min | Q/GDW11850 - 2018 Article 5.2.4.1. If the value of the change in the diverter error every one minute is ≤ 0.02% R, the diverter can be considered to have reached thermal equilibrium |
| Overload | (pm0.4\%(0.01N < Ileq0.05N))(pm0.2\%(0.05N < Ileq1.2N)) | Q/GDW11850 - 2018 Article 5.2.4.2. Pass 2.25 times the rated current for 1.5s, naturally cool to room temperature, and then measure the basic error at the rated current |
| Low - temperature small current | (Delta Rleqpm0.4\%R) | Q/GDW11850 - 2018 Article 5.2.5.2. After the shunt is placed at - 40°C ambient temperature for 30 min, after loading with 0.1 IN for 30 s - 60 s, measure the shunt error, and the shunt error change limit (Delta R) |
| High - temperature high current | (Delta Rleqpm0.2\%R) | Q/GDW11850 - 2018 Article 5.2.5.3. After the shunt is placed at 70°C ambient temperature for 30 min, pass 1N to thermal equilibrium to measure the shunt error. Shunt error change limit (Delta R) |
Features:
This product is mainly used for current sampling and detection of instrumentation, with high precision, strong stability, applicable to a wide range of temperatures, etc., widely used in the field of new energy state grid charging pile.
Wide temperature range
Low surface temperature
Low temperature coefficient
High precision
The first wide - temperature shunt in China to be certified by the State Grid
WHATSAPP
LINE
WECHAT
SKYPE
In addition to FL-2-K Precision Shunt, we also focus on the following resistors:
-
FL-2-K Precision Shunt
-
UFL Precision Shunt
-
TY Precision Shunt
-
3W - 10W precision shunt resistors.
-
GFLEV8520 Precision Shunt
-
RN1A Precision Shunt
-
GFL Precision Shunt Resistor
-
1W 3W 6W 8W precision shunt resistors.
-
GFLEV Precision Shunt
-
10W precision shunt medium - power resistors.
-
50W precision shunt medium - power resistors.
-
10W 30W high - precision shunt resistor 0.1% ±5ppm/℃
-
High-precision shunt sampling resistor
-
60W 100W precision shunt high - power resistors.
-
WFL Plastic-Encased Precision Metal Film Strip Chip Shunt
-
Customizable Automotive-Grade High-Precision Four-Terminal Shunt Resistors (1216)
-
n-type shunt plug-in resistor
-
Customizable Ultra-Low TCR Shunt Chip Resistors
-
Alloy Shunt chip Resistors type S
-
Customizable Ultra-Low TCR Four-Terminal Shunt Resistors
-
Alloy Shunt chip Resistors type J
-
Alloy Shunt chip Resistors type R
-
Customizable Low-Inductance Four-Terminal Shunt Resistors
-
Four-legged shunt plug-in resistor (stool-type)
What We Do
We offer comprehensive storage, procurement, and distribution services for a wide range of resistor products to electronic manufacturers spanning diverse industries.

Quality is Always Our Highest Priority
Our quality control procedures guarantee that you will receive resistor products of the highest quality, devoid of any nonconformities or suspicious anomalies typically encountered in the electronics industry.

Navigate Sourcing Dilemmas
Our component procurement team and internal data analysis team are consistently endeavoring to uncover valuable opportunities for our clients, focusing on their critical components, in order to facilitate cost reductions through spot purchases.




Supplier of a Full Range of Resistors | JEPSUN INDUSTRIAL is committed to always being one of our customers' favorite suppliers.
Resistor Supplies - Jepsun Tech Corporation
+86755-29796190 +8615920026751 [email protected]
Huangjiazhongxin building Donghuan Road Longhua District SHENZHEN City, GUANGDONG Prov. CHINA 518000
