Home >
High-precision shunt sampling resistor >
3W - 10W precision shunt resistors. - Resistor Supplies
3W - 10W precision shunt resistors.
Technical Features
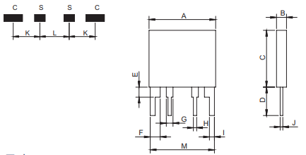
Specifications

| Model | A | B | C | D | E | F | G | H | I | J | K | L | M |
|---|---|---|---|---|---|---|---|---|---|---|---|---|---|
| 3W | 22±1 | 5.3±0.5 | 17±0.5 | 8.5±0.5 | 3±0.5 | 3.0 | 2.0 | 1.1 | 1.5 | 1.0±0.2 | 5.08 | 7.62 | 19.28 |
| 5W | 20±1 | 3±0.5 | 17±0.5 | 8.5±0.5 | 3±0.5 | 3.0 | 2.0 | 1.1 | 1.5 | 1.0±0.2 | 5.08 | 7.62 | 19.28 |
| 8W | 51±1 | 2±0.5 | 13±0.5 | 8.5±0.5 | 3±0.5 | 3.0 | 2.0 | 1.1 | 1.5 | 1.0±0.2 | 5.08 | 38.6 | 50.26 |
| 10W | 52±1 | 2.5±0.5 | 20±0.5 | 8.5±0.5 | 3±0.5 | 3.0 | 2.0 | 1.1 | 1.5 | 1.0±0.2 | 5.08 | 37.0 | 48.66 |
| Model | Rated Power (70°C) | Resistance Range | Resistance Accuracy | Temperature Coefficient |
|---|---|---|---|---|
| 3W | 3W | 1mΩ - 1Ω | ±0.1% - ±10.0% | ±5ppm/°C - ±100ppm/°C |
| 5W | 5W | 10mΩ - 10Ω | ||
| 8W | 8W | 5mΩ - 60Ω | ||
| 10W | 10W | 5mΩ - 80Ω |
WHATSAPP
LINE
WECHAT
SKYPE
In addition to 3W - 10W precision shunt resistors., we also focus on the following resistors:
-
1W 3W 6W 8W precision shunt resistors.
-
3W - 10W precision shunt resistors.
-
50W precision shunt medium - power resistors.
-
10W precision shunt medium - power resistors.
-
60W 100W precision shunt high - power resistors.
-
Customizable Automotive-Grade High-Precision Four-Terminal Shunt Resistors (1216)
-
UFL Precision Shunt
-
TY Precision Shunt
-
FL-2-K Precision Shunt
-
GFL Precision Shunt Resistor
-
GFLEV8520 Precision Shunt
-
GFLEV Precision Shunt
-
RN1A Precision Shunt
-
High-precision shunt sampling resistor
-
10W 30W high - precision shunt resistor 0.1% ±5ppm/℃
-
WFL Plastic-Encased Precision Metal Film Strip Chip Shunt
-
Alloy Shunt chip Resistors type S
-
Customizable Ultra-Low TCR Four-Terminal Shunt Resistors
-
Customizable Ultra-Low TCR Shunt Chip Resistors
-
Customizable Low-Inductance Four-Terminal Shunt Resistors
-
Alloy Shunt chip Resistors type J
-
Alloy Shunt chip Resistors type R
-
Customizable Low-Inductance Impact-Resistant Shunt Resistors
-
Precision Resistors
What We Do
We offer comprehensive storage, procurement, and distribution services for a wide range of resistor products to electronic manufacturers spanning diverse industries.

Quality is Always Our Highest Priority
Our quality control procedures guarantee that you will receive resistor products of the highest quality, devoid of any nonconformities or suspicious anomalies typically encountered in the electronics industry.

Navigate Sourcing Dilemmas
Our component procurement team and internal data analysis team are consistently endeavoring to uncover valuable opportunities for our clients, focusing on their critical components, in order to facilitate cost reductions through spot purchases.




Supplier of a Full Range of Resistors | JEPSUN INDUSTRIAL is committed to always being one of our customers' favorite suppliers.
Resistor Supplies - Jepsun Tech Corporation
+86755-29796190 +8615920026751 [email protected]
Huangjiazhongxin building Donghuan Road Longhua District SHENZHEN City, GUANGDONG Prov. CHINA 518000
