TYRJ13/14/15 Metal Film Resistors
Features
Excellent high - frequency characteristic
Long - term stability
Low noise coefficient
Low TCR
Encapsulated with blue or grey coating, color - ring marked, tape - able
Applications
Suitable for electronic instruments, equipment, color TVs, audio and other household appliances.

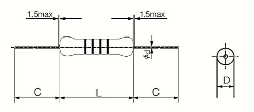
| Size | Lmax | Dmax | d±0.05 | C±3 |
|---|---|---|---|---|
| TYRJ13 | 3.8 | 2.1 | 0.5 | 28.0 |
| TYRJ14 | 7.0 | 2.5 | 0.6 | 28.0 |
| TYRJ15 | 10.5 | 3.9 | 0.6 | 28.0 |
| Resistance Range (Ω) | TCR(ppm/°C) | Tolerances | Rating.amb.temp | Operating.amp.range | ||||
|---|---|---|---|---|---|---|---|---|
| TYRJ13 | 1/6 | 150 | 250 | 10 - 1M | ±50 | ±1% | ±70°C | -55°C - 125°C |
| TYRJ14 | 1/4 | 250 | 350 | 4.7 - 2.2M | ±100 | ±2% | ±70°C | -55°C - 125°C |
| TYRJ15 | 1/2 | 350 | 500 | 4.7 - 3.3M | ±100 | ±5% | ±70°C | -55°C - 125°C |
| Test Item | Specifications | Test Method |
|---|---|---|
| Short time overload | ΔR≤ ± (0.5%R + 0.05Ω) | 2.5V<sub>R</sub>, 5s |
| Rapid change of temperature | ΔR≤ ± (0.5%R + 0.05Ω) | -55°C/125°C, 30min 5cycle |
| Leaching | ΔR≤ ± (0.5%R + 0.05Ω) | 350 ± 10°C, 3.5 ± 0.5s |
| Climatic category | ΔR≤ ± (2%R + 0.1Ω) | 125°C, 16h/55°C, RH93 ± 3%, 24h/-55°C, 2h/15 - 35°C, 8.5Kpa, 1h |
| Endurance at 70°C | ΔR≤ ± (2%R + 0.1Ω) | 70 ± 2°C, P<sub>R</sub>, 1000h |
WHATSAPP
LINE
WECHAT
SKYPE
In addition to TYRJ13/14/15 Metal Film Resistors, we also focus on the following resistors:
-
TYRJ13/14/15 Metal Film Resistors
-
TYRJ23/24/25 Precision Metal Film Resistors
-
EE Series High-Precision Metal Film Resistors
-
RE Series High-Precision Metal Film Resistors
-
TYRYG1/(TYRJ20) Power Metal Film Resistors
-
TYUAR High - Reliability Metal Film Resistors
-
TYMC High - Stability Metal Film Resistors
-
UPR/UPSC Series Ultra-Precision Metal Film Resistors
-
RJ13/14/15/16/17/18 Series Semi-Precision Metal Film Resistors
-
RJ21/22/23 Series Semi-Precision Metal Film Resistors
-
MEF Series Cylindrical Precision Chip Metal Film Resistors
-
NE Series Low-Resistance High-Precision Metal Film Resistors
-
RJ70 Series Semi-Precision Metal Film Resistors
-
TYUPR Series Ultra - Precision Metal Film Resistors
-
TYRE High - Stability Precision Metal Film Resistors
-
TYEE High - Stability Precision Metal Film Resistors
-
RJK/RN Series Fixed Metal Film Resistors with Quality Grades
-
TYRJK(TYRN) High - Reliability Precision Metal Film Resistors
-
MELF0204/0207 precision metal - film surface - mount resistors
-
MEFH Series Cylindrical Chip High-Temperature Metal Film Resistors
-
MELF3215 series high - precision metal - film surface - mount resistors
-
Zero Ohm Metal Film Resistor
-
Power Metal Film Resistor
-
Metal Film MELF Resistor
What We Do
We offer comprehensive storage, procurement, and distribution services for a wide range of resistor products to electronic manufacturers spanning diverse industries.

Quality is Always Our Highest Priority
Our quality control procedures guarantee that you will receive resistor products of the highest quality, devoid of any nonconformities or suspicious anomalies typically encountered in the electronics industry.

Navigate Sourcing Dilemmas
Our component procurement team and internal data analysis team are consistently endeavoring to uncover valuable opportunities for our clients, focusing on their critical components, in order to facilitate cost reductions through spot purchases.




Supplier of a Full Range of Resistors | JEPSUN INDUSTRIAL is committed to always being one of our customers' favorite suppliers.
Resistor Supplies - Jepsun Tech Corporation
+86755-29796190 +8615920026751 [email protected]
Huangjiazhongxin building Donghuan Road Longhua District SHENZHEN City, GUANGDONG Prov. CHINA 518000
