60W 100W precision shunt high - power resistors.
Type of Resistor
Planar (alloy - foil, non - inductive design) high - power resistors.
The resistor chips are made of alloy - foil resistor materials, have low temperature coefficients and super - strong pulse endurance capabilities, and are suitable for current - sampling circuits and other aspects.
Technical Features
The rated power is 60W/100W when the center temperature of the base plate is ≤70°C.
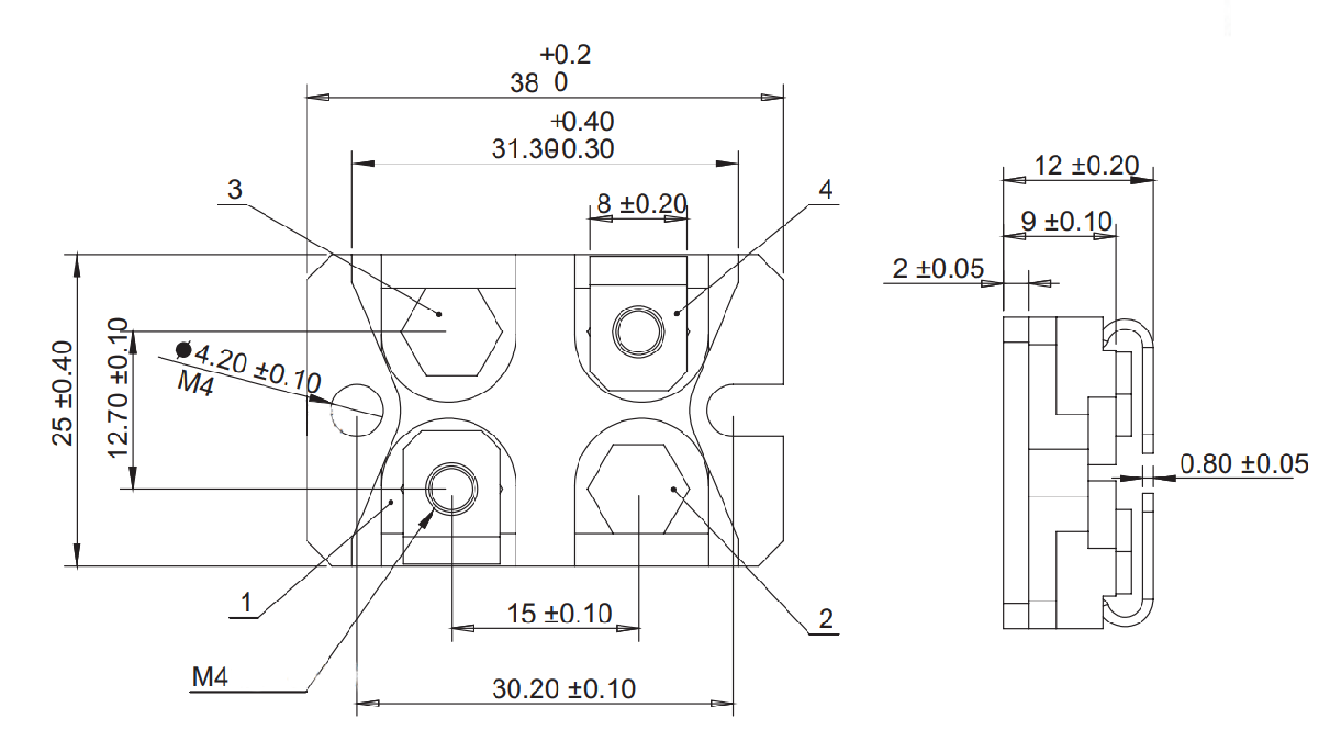
SOT227 - type mold - press packaging, M4 - screw flange - base - plate packaging.
The minimum resistance value is 1mΩ.
Four - terminal connection.
Specifications
Resistance Value Range: 1mΩ - 2Ω
Accuracy Range: ±1% - ±10%, other accuracy requirements can be negotiated for supply.
Instantaneous Current: 0.5mΩ - 50mΩ≤500A, 50mΩ - 500mΩ≤350A, 500mΩ - 2Ω≤200A (single - time current pulse energy ≤6J).
Temperature Coefficient Range: ±25ppm/°C - ±150ppm/°C (25°C - 105°C), other temperature coefficient requirements can be negotiated for supply.
Rated Power at 70°C: 60W, 100W.
Power Durability: At 70°C with rated power for 1000 hours, ΔR≤±(0.20%R + 0.001Ω).
Thermal Shock Resistance: MIL - Std - 202, method 107, condition A, ΔR≤±(0.20%R + 0.001Ω).
Moisture Resistance: MIL - Std - 202, method 106, ΔR≤±(0.20%R + 0.001Ω).
Dielectric Withstand Voltage: 1000VDC.
Operating Temperature Range: - 55°C - +155°C.
Resistor Installation: M4 screws, maximum torque 1.5Nm.
Lead - out Terminal Installation: M4 screws, maximum torque 1.3Nm.


-
60W 100W precision shunt high - power resistors.
-
50W precision shunt medium - power resistors.
-
10W precision shunt medium - power resistors.
-
Customizable Automotive-Grade High-Precision Four-Terminal Shunt Resistors (1216)
-
100W, 150W high - pulse absorption resistors.
-
1W 3W 6W 8W precision shunt resistors.
-
3W - 10W precision shunt resistors.
-
Precision High-Voltage / High Power Resistors Up to 96kV and 105W
-
High-precision shunt sampling resistor
-
10W 30W high - precision shunt resistor 0.1% ±5ppm/℃
-
TYRTP 35W~100W Power Thick - Film Resistor
-
Power and Precision High-Voltage Resistors TC of ±100ppm/°C and wide ohmic range
-
100W TO-247 Planar Alloy Foil, Non-inductive Power Resistor
-
100W TO-247 Planar Thick Film, Non-inductive Power Resistor
-
100W TO-247 Planar Thick Film, Non-inductive Power Resistor, Pulse Load Resistant
-
Stable power MELF resistors featuring small tolerance, low temperature coefficient, and high power SMD resistors
-
High-Power Water-Cooled Resistors High-Power Water-Cooled Single Resistors and Voltage Dividers up to 1700W
-
TY Precision Shunt
-
UFL Precision Shunt
-
FL-2-K Precision Shunt
-
GFLEV8520 Precision Shunt
-
RN1A Precision Shunt
-
GFLEV Precision Shunt
-
GFL Precision Shunt Resistor






Resistor Supplies - Jepsun Tech Corporation
+86755-29796190 +8615920026751 [email protected]
Huangjiazhongxin building Donghuan Road Longhua District SHENZHEN City, GUANGDONG Prov. CHINA 518000
