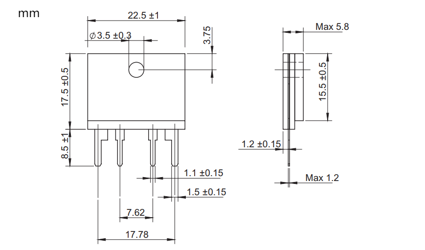
50W precision shunt medium - power resistors.
Type of Resistor
Planar (alloy - foil, non - inductive design) medium - power resistors.
The resistor chips are made of alloy - foil resistor materials, have low temperature coefficients and super - strong pulse endurance capabilities, and are suitable for current - sampling circuits and other aspects.
Technical Features
The rated power is 50W when the center temperature of the base plate is ≤70°C.
Encapsulated in an aluminum shell with M3 screw mounting holes designed.
The minimum resistance value is 1mΩ.
Four - terminal connection.
Specifications
Resistance Value Range: 1mΩ - 1Ω
Resistance Accuracy: ±0.1% - ±10.0%
Temperature Coefficient Range: ±5ppm/°C - ±100ppm/°C (25°C - 105°C)
Rated Power: 50W at 70°C
Power Durability: At 70°C with rated power for 1000 hours, ΔR ≤ ±(0.20%R + 0.001Ω)
Moisture Resistance: MIL - Std - 202, method 106, ΔR ≤ ±(0.20%R + 0.001Ω)
Thermal Shock Resistance: MIL - Std - 202, method 107, condition C, ΔR ≤ ±(0.20%R + 0.001Ω)
Operating Temperature Range: - 55°C - +155°C
Resistor Mounting: M3 screws, maximum torque 0.9Nm
Lead - out Terminals: Nickel - plated copper pins

-
10W precision shunt medium - power resistors.
-
50W precision shunt medium - power resistors.
-
60W 100W precision shunt high - power resistors.
-
1W 3W 6W 8W precision shunt resistors.
-
3W - 10W precision shunt resistors.
-
Customizable Automotive-Grade High-Precision Four-Terminal Shunt Resistors (1216)
-
Medium Voltage Resistor
-
TY Precision Shunt
-
UFL Precision Shunt
-
FL-2-K Precision Shunt
-
GFL Precision Shunt Resistor
-
RN1A Precision Shunt
-
GFLEV Precision Shunt
-
GFLEV8520 Precision Shunt
-
10W 30W high - precision shunt resistor 0.1% ±5ppm/℃
-
High-precision shunt sampling resistor
-
WFL Plastic-Encased Precision Metal Film Strip Chip Shunt
-
Power and Precision High-Voltage Resistors TC of ±100ppm/°C and wide ohmic range
-
Alloy Shunt chip Resistors type J
-
Alloy Shunt chip Resistors type R
-
Customizable Ultra-Low TCR Four-Terminal Shunt Resistors
-
Customizable Low-Inductance Four-Terminal Shunt Resistors
-
Customizable Ultra-Low TCR Shunt Chip Resistors
-
Alloy Shunt chip Resistors type S






Resistor Supplies - Jepsun Tech Corporation
+86755-29796190 +8615920026751 [email protected]
Huangjiazhongxin building Donghuan Road Longhua District SHENZHEN City, GUANGDONG Prov. CHINA 518000
