Flat press-fit terminal sampling resistor
| Features | Details |
|---|---|
| Power | 1-7 watts |
| Tolerance | ±5% |
| TCR | TCR down to ±40ppm/°C |
| Inductance | Low inductance |
| Compliance | RoHS compliant |
| Customizability | Customizable |
| Applications | Current Sensing Drive technology Power Electronic Home Appliance Automotive electronics Communication System |

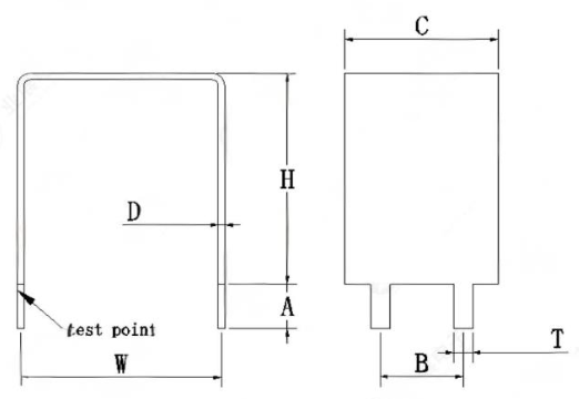
| Parameter | Range (mm) |
|---|---|
| C | 2.4~6 |
| D | 0.3~1.3 |
| W | 5~30 |
| H | 5~30 |
| A | 3.5±0.2 |
| T | 1.2/1.5 |
| Order Information | Details |
|---|---|
| 1. Span | "W" |
| 2. Height Range | "H" |
| 3. Resistance and Rated Power |
| Materials | Resistance Rate |
|---|---|
| Manganin | 44μΩ. cm |
| Constantan | 48μΩ. cm |
| Copper-Nickel | 30μΩ. Cm |
| Items | Parameters |
|---|---|
| Material | Constantan |
| Diagrammatize | ![]() |
| A | 3.0mm±0.5mm |
| H | 13.1mm±2mm |
| W | 9.5mm±0.5mm |
| B | 4.8mm±0.3mm |
| T | 1.2mm±0.2mm |
| D | 1.0mm±0.1mm |
| C | 6.0mm±0.5mm |
| Value | 2.3mΩ±5% |
| Rated power | 3W |
| Thickness /mm | Standard Span (mm) and Resistance Range (mΩ) | 1 | 1 | 1 | 1 | Material | TCR /ppm/°C | Overcurrent /A |
| 10 | 15 | 20 | 25 | 30 | ||||
| 1.3×3.5 | 2.5~7 | 2.8~7.6 | 3.6~8.4 | 4~8.8 | 4.4~9 | Constantan | ±40 | 30 |
| 1.1×3.3 | 2~6 | 2.5~6.5 | 3~7 | 3.5~7.5 | 4~8 | Copper-Nickel | ±200 | 30 |
| 1.1×3.3 | 7~20 | 8~21 | 10~23 | 11~24 | 13~25 | NiCr | ±120 | 25.5 |
| 1.1×3.3 | 3~9 | 3.5~9.5 | 4.5~10.5 | 5~11 | 5.5~11.5 | Constantan | ±40 | 28 |
| 0.9×4 | 3.3~9.5 | 4~10 | 5~10 | 5.5~11 | 6.5~12 | Constantan | ±40 | 28 |
| 0.85×2.4 | 6~16 | 7~17 | 8~18 | 9~19 | 10~20 | Constantan | ±40 | 15 |
| 0.8×3.3 | 4.5~13 | 5.5~13.5 | 6.5~14.5 | 7.5~15.5 | 8.5~16.5 | Constantan | ±40 | 20 |
| 0.8×2.4 | 6~17 | 7.5~18.5 | 9~20 | 10.5~21 | 12~22.5 | Constantan | ±40 | 15 |
| 0.6×2.9 | 0.9~2.2 | 1.2~2.4 | 1.2~2.5 | 1.3~2.6 | 1.5~2.8 | Constantan | ±40 | 11.2 |
| 0.6×6 | 4~8 | 4~9 | 5~10 | 5~10 | 6~11 | Constantan | ±40 | 28 |
| 0.6×2.4 | 9~22 | 10~24 | 12~25 | 13~26 | 15~28 | Constantan | ±40 | 11.5 |
| 0.6×2.4 | 21~49 | 23~54 | 27~56 | 30~58 | 34~63 | NiCr | ±120 | 10 |
| 0.5×3.3 | 7.5~20 | 9~22 | 10~23 | 11.5~24 | 12.5~26 | Constantan | ±40 | 13 |
| 0.5×3.3 | 17~45 | 21~49 | 23~51 | 26~54 | 29~58 | NiCr | ±120 | 11 |
| 0.5×3 | 9~22 | 10~24 | 11~25 | 13~26 | 14~28 | Constantan | ±40 | 12 |
| 0.4×3.3 | 9~25 | 11~27 | 12.5~29 | 14.5~31 | 16.5~33 | Constantan | ±40 | 10 |
| 0.4×3.3 | 21~56 | 25~60 | 29~65 | 33~69 | 38~74 | NiCr | ±120 | 9 |
| 0.4×3 | 10~27 | 13~29 | 14~31 | 16~34 | 19~36 | Constantan | ±40 | 9.5 |
| 0.4×3 | 23~60 | 30~65 | 32~69 | 36~76 | 43~81 | NiCr | ±120 | 8.5 |
| 0.4×2.4 | 12.5~35 | 15~37.5 | 17.5~40 | 20~42.5 | 22.5~45 | Constantan | ±40 | 7.5 |
| 0.4×2.4 | 29~78 | 34~84 | 40~90 | 45~95 | 51~101 | NiCr | ±120 | 7 |
| 0.3×6 | 5~24 | 7~25 | 8~26 | 9~28 | 11~29 | Constantan | ±40 | 14 |
| 0.3×4 | 8~36 | 10~38 | 12~40 | 14~43 | 16~44 | Constantan | ±40 | 9 |
| 0.3×3.5 | 9~41 | 11~43 | 13~45 | 16~48 | 18~50 | Constantan | ±40 | 8.5 |
| 0.3×3.3 | 9~43 | 12~46 | 14~48 | 16~50 | 19~53 | Constantan | ±40 | 8 |
| 0.3×3.3 | 20~98 | 26~103 | 31~109 | 36~114 | 42~120 | NiCr | ±120 | 7 |
| 0.3×3 | 10~45 | 13~50 | 15~53 | 18~56 | 21~58 | Constantan | ±40 | 7 |
| Items | Limits | Additional Requirements |
|---|---|---|
| Short time overload | Within ±1%. No evidence of mechanical damage. | Rated power X 5 times, 5s |
| Vibration | Resistance deviation < ±0.5%, no appearance damage | The frequency was from 10Hz to 2000Hz within 1min. The test was conducted in three directions of 10g vibration magnitude, X-Y-Z, and 24H in each direction. |
| Resistance to soldering heat | Within ±0.5%. No evidence of mechanical damage. | 260±5°C, 10±1s. After test leave for 3h. |
| Solderability | Covered with new solder by 95% at least. | Test temperature of solder: 245±5°C. Dipping time in solder: 5±0.5s |
| Temperature cycle | Within ±1%. No evidence of mechanical damage. | -55°C ~ +125°C, 1000 circulation |
| Biased Humidity | Within ±1% | 1000hrs 85°C/85%RH. Note: Specified conditions: 10% of operating power. |
| Load life | Within ±1% | 70±2°C, 1000h. Rated voltage (90 min ON, 30 min OFF) |
WHATSAPP
LINE
WECHAT
SKYPE
In addition to Flat press-fit terminal sampling resistor, we also focus on the following resistors:
-
Flat press-fit terminal sampling resistor
-
Customizable press-fit terminal sampling resistor
-
Jumper sampling resistor
-
n-type solder tab sampling resistor
-
High-precision solder tab sampling resistor
-
High-precision shunt sampling resistor
-
600W Four-terminal Planar Thick Film, Non-inductive High-power Resistor
-
180W Four-terminal Ultra-long Creepage Distance Structure with French Blue Baseplate, Non-inductive Molded Power Resistor
-
150W Two-terminal Ultra-long Creepage Distance Structure with French Blue Baseplate, Non-inductive Molded Power Resistor
-
150W Four-terminal Ultra-long Creepage Distance Structure with French Blue Baseplate, Non-inductive Molded Power Resistor
-
High Voltage Flat Resistors
-
Customizable Low-Inductance Four-Terminal Shunt Resistors
-
Customizable Ultra-Low TCR Four-Terminal Shunt Resistors
-
RXBRXB1 Flat coated wire - wound resistors
-
High-Voltage Flat Style Resistors TC of ±100 ppm/°C up to 22 kV operating voltag
-
Customizable U-Type High-Power Sampling Shunts
-
Customizable Automotive-Grade High-Precision Four-Terminal Shunt Resistors (1216)
-
High-Voltage Flat Style Resistors TC of ±10 ppm/°C to ±200 ppm/°C, different coatings available up to 35 kV operating voltage
-
High-Voltage Flat Style Resistors TC of ±80 ppm/°C up to 29 kV operating voltage Non-Inductive
-
MELF Resistor / THT Fixed Resistor
-
KB RESISTOR
-
Jumper Resistor
-
Jumper Resistor
-
Stability Resistor
What We Do
We offer comprehensive storage, procurement, and distribution services for a wide range of resistor products to electronic manufacturers spanning diverse industries.

Quality is Always Our Highest Priority
Our quality control procedures guarantee that you will receive resistor products of the highest quality, devoid of any nonconformities or suspicious anomalies typically encountered in the electronics industry.

Navigate Sourcing Dilemmas
Our component procurement team and internal data analysis team are consistently endeavoring to uncover valuable opportunities for our clients, focusing on their critical components, in order to facilitate cost reductions through spot purchases.




Supplier of a Full Range of Resistors | JEPSUN INDUSTRIAL is committed to always being one of our customers' favorite suppliers.
Resistor Supplies - Jepsun Tech Corporation
+86755-29796190 +8615920026751 [email protected]
Huangjiazhongxin building Donghuan Road Longhua District SHENZHEN City, GUANGDONG Prov. CHINA 518000

