Home >
TY Power Wirewound Resistor >
RX27 power ceramic encased wire - wound resistors - Resistor Supplies
RX27 power ceramic encased wire - wound resistors






Features
Moisture - proof
Good heat - resistant
Perfect insulation
Wide working temperature range
Applications
Used in electrical instruments equipment such as colour TV, audio, charger etc.
Technical Specifications
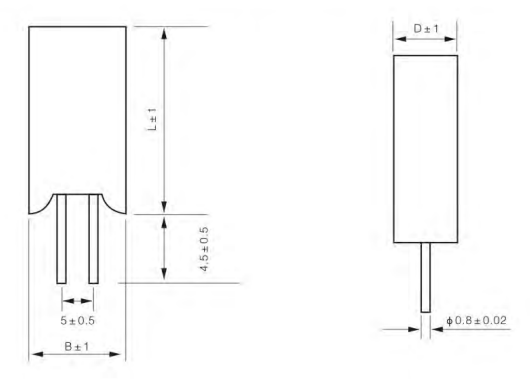
| Type | Rated Power(W) | Resistance Range (RX27 - 1) | Resistance Range (RY27 - 1) | L (mm) | B (mm) | RM (mm) | C1 (mm) | C2 (mm) | C3 (mm) | C4 (mm) |
|---|---|---|---|---|---|---|---|---|---|---|
| RX(RY)27 - 1 | 2.0 | R1...390R | 390R...100K | 17.5 | 6.5 | - | - | - | - | - |
| RX(RY)27 - 1 | 3.0 | R1...680R | 680R...100K | 22.0 | 8.0 | - | - | - | - | - |
| RX(RY)27 - 1 | 5.0 | R1...680R | 680R...100K | 22.0 | 9.5 | - | - | - | - | - |
| RX(RY)27 - 1/1V | 7.0 | R22...1K5 | 1KΩ...100K | 35.0 | 9.5 | 47.0 | 5.0 | 11 | 1.5 | 4.0 |
| RX(RY)27 - 1/1V | 10.0 | R33...2K4 | 1KΩ...100K | 48.0 | 9.5 | 60.0 | 5.0 | 11 | 1.5 | 4.0 |
| RX(RY)27 - 1/1V | 15.0 | 5R1...9K1 | 1KΩ...100K | 48.0 | 12.5 | 61.0 | 6.5 | 14 | 2.5 | 4.5 |
| RX(RY)27 - 1/1V | 20.0 | 5R1...12K | 1KΩ...100K | 63.5 | 12.5 | 77.0 | 6.5 | 14 | 2.5 | 4.5 |
| Type | Rated Power(W) | Resistance Range (RX27 - 1) | Resistance Range (RY27 - 1) | L (mm) | RM (mm) | H1 (mm) | H2 (mm) | h (mm) | W1 (mm) | W2 (mm) | W (mm) |
|---|---|---|---|---|---|---|---|---|---|---|---|
| RX(RY27) - 3A/3B/3C/3D/3D5 | 3.0 | R2...2K4 | 390R...100K | 25.0 ± 0.5 | 12.5 | 9.0 | 23.5/39.0/23.5 39.5/30.0 | 4.5 ± 0.3 | 9.0 ± 0.5 | 5/7.3 | 1.5 |
| RX(RY27) - 3A/3B/3C/3D/3D5/3D6 | 5.0 | R22...3K6 | 680R...100K | 27.0 ± 0.5 | 15.0 | 9.5 | 24.0/39.0/24.0 39.0/30.0/39.0 | 4.5 ± 0.3 | 9.5 ± 0.5 | 5/7.3 | 1.5 |
| RX(RY27) - 3A/3B/3C/3D/3D5/3D6 | 7.0 | R39...4K7 | 680R...100K | 35.0 ± 0.8 | 22.5 | 9.5 | 24.0/39.0/24.0 /39.0/30.0/39.0 | 4.5 ± 0.3 | 9.5 ± 0.5 | 5/7.3 | 1.5 |
| RX(RY27) - 3A/3B/3C/3D/3D5/3D6 | 10.0 | R39...6K8 | 1KΩ...100K | 48.0 ± 1.0 | 35.0 | 9.5 | 24.0/39.0/24.0 39.0/30.0/39.0 | 4.5 ± 0.3 | 9.5 ± 0.5 | 5/7.3 | 1.5 |
| RX(RY27) - 3A/3B/3C | 15.0 | R51...7K5 | - | 48.0 ± 1.0 | 32.0 | 12.5 | 32.5/47.5/32.5 | 5.0 ± 0.2 | 12.5 ± 0.5 | 5/- | 2.7 |
| RX(RY27) - 3A/3B/3C | 20.0 | R51...10K | - | 63.5 ± 1.2 | 47.5 | 12.5 | 32.5/47.5/32.5 | 5.0 ± 0.2 | 12.5 ± 0.5 | 5/- | 2.7 |
| Type | Rated Power(W) | Resistance Range (RX27) | Resistance Range (RY27) | L (mm) | RM (mm) | H1 (mm) | H2 (mm) | h (mm) | W1 (mm) | W2 (mm) | W (mm) |
|---|---|---|---|---|---|---|---|---|---|---|---|
| RX27(RY27) - 3F/3H/3H2 | 3.0 | R2...2K4 | 390R...100K | 25.0 ± 0.5 | 12.5 | 9.0 | 39.0/39.0/26.5 | 5.0/4.5 | 9.0 ± 0.5 | 7.3 | 5.0/3.5 |
| RX27(RY27) - 3F/3H/3H2/3H4 | 5.0 | R39...3K6 | 680R...100K | 27.0 ± 0.5 | 15.0 | 9.5 | 39.0/39.0/26.5/39.0 | 5.0/4.5 | 9.0 ± 0.5 | 7.3 | 5.0/3.5 |
| RX27(RY27) - 3F/3H/3H2/3H4 | 7.0 | R39...4K7 | 680R...100K | 35.0 ± 0.8 | 22.5 | 9.5 | 39.0/39.0/26.5/39.0 | 5.0/4.5 | 9.0 ± 0.5 | 7.3 | 5.0/3.5 |
| RX27(RY27) - 3F/3H/3H2/3H4 | 10.0 | R39...6K8 | 1KΩ...100K | 48.0 ± 1.0 | 35.0 | 9.5 | 39.0/39.0/26.5/39.0 | 5.0/4.5 | 9.0 ± 0.5 | 7.3 | 5.0/3.5 |
| RX27(RY27) - 3F | 15.0 | R51...7K5 | - | 48.0 ± 1.0 | 32.0 | 12.5 | 47.5 | 5.0 | 12.5 ± 0.5 | 10.0 | 5.0 |
| RX27(RY27) - 3F | 20.0 | R51...10K | - | 63.5 ± 1.2 | 47.0 | 12.5 | 47.5 | 5.0 | 12.5 ± 0.5 | 10.0 | 5.0 |
| Type | Rated Power(W) | Resistance Range (Min) | Resistance Range (Max) | L (mm) | RM (mm) | C1 (mm) | C2 (mm) | A (mm) | B (mm) | C (mm) | D (mm) | E (mm) | F (mm) | δ (mm) |
|---|---|---|---|---|---|---|---|---|---|---|---|---|---|---|
| RX27 - 4/4V | 10.0 | R39 | 1K5 | 48.0 | 35.5 - 15 | 9 | 5 | 25 | 9.5 | 6.5 | 11.8 | 4.0 | 12 | 0.6 |
| RX27 - 4/4V | 15.0 | R51 | 2K4 | 48.0 | 34.0 - 15 | 9 | 6/4.8 | 25 | 12.5 | 6.5 | 12.5 | 4.0 | 12 | 0.6 |
| RX27 - 4/4V | 20.0 | R51 | 2K4 | 63.5 | 48.0 - 20 | 9 | 6/4.8 | 25 | 12.5 | 6.5 | 12.5 | 4.0 | 12 | 0.6 |
| RX27 - 4/4V | 25.0 | R62 | 2K4 | 63.5 | 46.5 - 20 | 12 | 7.5/6.3 | 25 | 16 | 6.5 | 13.8 | 4.2 | 12 | 0.8 |
| RX27 - 4/4V | 30.0 | R62 | 8K2 | 75.0 | 56.0 - 25 | 12 | 7.58/6.3 | 40 | 19 | 8 | 18 | 4.2 | 18 | 0.8 |
| RX27 - 4/4V | 40.0 | R62 | 10K | 90.0 | 71.0 - 30 | 12 | 7.5/6.3 | 40 | 19 | 8 | 18 | 4.2 | 18 | 0.8 |
| Type | Rated Power(W) | Resistance Range (Min) | Resistance Range (Max) | L (mm) | B (mm) | D (mm) |
|---|---|---|---|---|---|---|
| RX27(RY27) - 5 | 2.0 | R50...1K0 | 390...100K | 20.5 | 11 | 7 |
| RX27(RY27) - 5 | 3.0 | R50...2K2 | 680...100K | 25.0 | 12 | 8 |
| RX27(RY27) - 5 | 5.0 | R50...2K2 | 680...100K | 26.0 | 13 | 9 |
| RX27(RY27) - 5 | 7.0 | 1R0...6K2 | 1K...100K | 39.0 | 13 | 9.5 |
| RX27(RY27) - 5 | 10.0 | 1R5...10K | 1K...100K | 51.0 | 13 | 9.5 |
| Type | Rated Power(W) | Resistance Range (Min) | Resistance Range (Max) | A ± 1 (mm) | B ± 1 (mm) | C1 ± 0.5 (mm) | C2 ± 0.5 (mm) | D ± 0.5 (mm) | Rm ± 1 (mm) |
|---|---|---|---|---|---|---|---|---|---|
| RX27 - 6 | 2W | R10 | 910R | 12 | 18 | 8 | 5 | 5 | 7 |
| RX27 - 6 | 3W | R10 | 910R | 13 | 18 | 8 | 5 | 6 | 8 |
| RX27 - 6 | 5W | R10 | 1KΩ | 15 | 18 | 8 | 5 | 6 | 9 |
Performance
| Test Item | Specifications | Test Methods |
|---|---|---|
| Solderability | Solder wets the outlet end and can flow freely, and the tin area on the outlet end is greater than 95% | 235°C ± 5°C, 2s ± 0.5s |
| Short term overload | ΔR≤ ± ( 1%R ± 0.05Ω ) | √10RP 5s |
| Terminals Strength | No visible damage to appearance ΔR≤ ± ( 1%R ± 0.05Ω ) | Pull, bend: 2 times, twist: 180 degrees 2 times |
| Welding heart - resistant property | No visible damage to appearance ΔR≤ ± ( 1%R ± 0.05Ω ) | 260°C ± 5°C 10s ± 0.5s |
| TCR | ± 500ppm/°C | GB/T 5729 - 2003 Article 4.8 |
| Reduce Power Loss | When the ambient temperature rises from 70 °C to 275 °C, the allowable load of the resistor is reduced from 100% of the rated power to 0% | - |
| Long Term Life | ΔR≤ ± ( 5%R ± 0.1Ω ) insulation resistance ≥1GΩ | 1000h, 1.5h energized, 0.5h de - energized |
| surface temperature rise | ≤210°C | Apply rated voltage to achieve thermal stability |
WHATSAPP
LINE
WECHAT
SKYPE
In addition to RX27 power ceramic encased wire - wound resistors, we also focus on the following resistors:
-
RX27 power ceramic encased wire - wound resistors
-
RX23 ceramic encased wire - wound resistors
-
RXL power aluminum encased wire - wound resistors
-
RXLB power aluminum encased wire - wound resistors
-
RX24 aluminum encased power wire - wound resistors
-
RXLG high power aluminum encased wire - wound resistors
-
RXGP stainless steel shell encased wire - wound
-
RXGI high power coated wire - wound resistors
-
RXGM high power coated wire - wound resistors
-
RX20 high power vitreous enameled wire - wound resistors
-
RXHGI high power wane ripple coated wire - wound resistors
-
Wire Wound Resistors
-
RX21 coated wire - wound resistors
-
TYRX79 precision wire - wound resistors
-
Anti-Surge Wire Wound Resistors
-
RXF21A/B/C (FRT) wire - wound fusing resistors
-
RXLG - A Power type aluminum shell wire wound resistor
-
RXLB - M Power type aluminum shell wire wound resistor
-
RXLG - B Power type aluminum shell wire wound resistor
-
RXBRXB1 Flat coated wire - wound resistors
-
RX92 anti - interference wire - wound resistors
-
RX22 Vitreous enameled wire - wound resistors
-
TYRX10 low - resistance - value precision wire - wound resistors
-
Anti-Surge Wire Wound MELF Resistors
What We Do
We offer comprehensive storage, procurement, and distribution services for a wide range of resistor products to electronic manufacturers spanning diverse industries.

Quality is Always Our Highest Priority
Our quality control procedures guarantee that you will receive resistor products of the highest quality, devoid of any nonconformities or suspicious anomalies typically encountered in the electronics industry.

Navigate Sourcing Dilemmas
Our component procurement team and internal data analysis team are consistently endeavoring to uncover valuable opportunities for our clients, focusing on their critical components, in order to facilitate cost reductions through spot purchases.




Supplier of a Full Range of Resistors | JEPSUN INDUSTRIAL is committed to always being one of our customers' favorite suppliers.
Resistor Supplies - Jepsun Tech Corporation
+86755-29796190 +8615920026751 [email protected]
Huangjiazhongxin building Donghuan Road Longhua District SHENZHEN City, GUANGDONG Prov. CHINA 518000
